優勢特點:TBI微型直線導軌TM系列在使用安裝時要認真仔細,不允許強力沖壓,不允許用錘直接敲擊導軌,不允許通過滾動體傳遞壓力。防止導軌的銹蝕,直接用手拿取上銀導軌時,要充分洗去手上的汗液,并涂以優質礦物油后再進行操作,在雨季和夏季尤其要注意防銹。

TBI微小型直線導軌主要應用在:半導體制造設備、印刷電路板IC組裝設備、醫療設備、機器手臂、 精密量測儀器、辦公室自動化設備、其它小型直線滑動裝置。
體積小、輕量化,特別適合小型化設備使用。 滑塊、導軌材質提供不銹鋼及合金鋼兩種。不 銹鋼材質之直線導軌,包含滑塊、導軌及其它金屬配件如鋼珠、保持器等,皆使用不銹鋼材質,具備防銹的特性。 采用哥德型四點接觸設計,可承受各方向負荷,具備剛性強,精度高等特性。 有鋼珠保持器設計,在精度允許下具備互換性。
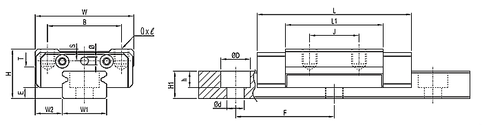
主要結構,滾動循環系統:滑塊、導軌、端蓋、鋼珠、保持器 ;潤滑系統:端蓋側附有油嘴,提供客戶注油,而AQ7、9、12則于端蓋側預留注油孔,可將油或油脂打入滑塊內部以潤滑;防塵系統:刮油片、防塵片、螺栓蓋。



循環系統:端蓋、保持器、循環管
防塵系統:端、下防塵

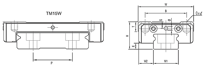
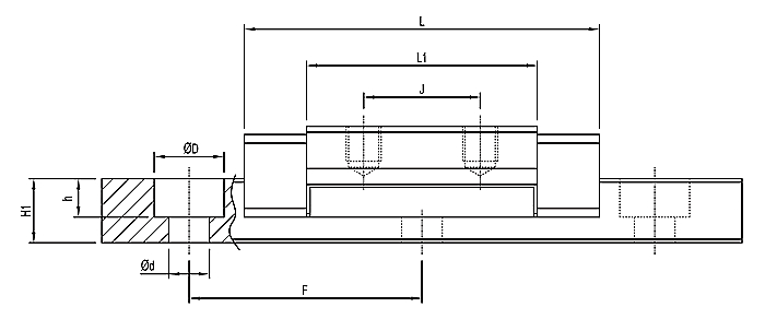
TM本體結構圖

TM微型滾珠線性導軌系列,提供P、H、N三種精度等級供設計選用
精度表


TM滾珠線性滑軌系列最大速度可以到達Vmax&>5m/s·最高加速度amax=300m/s時(若沒有預壓時,最高加速度可以到速60m/s2)

滑塊相對于滑軌基準面之平行精度圖

預壓等級
TM滾珠線性滑軌系列可提供ZF、Z0、Z1等三種不同之預壓等級。適當的預壓可提高微型線性滑軌于剛性丶精度、抗扭矩等能力之表現?但不當的預壓對運轉壽命丶運行阻力方面則有不良影響。
預壓表
容許溫度
潤滑脂
當TM直線導軌在良好的潤滑狀態下,承受員荷的浪動與軌道面于接點之間將因潤滑油膜產生一微米厚度得而分開·因此良好好的潤滑保養可以增加產品使用的壽命。
無室用潤滑脂:適合發量非常少的油。
潤滑油:適合一般用途,IS0V32~68
注意:特殊油脂訂購需求請來電東莞創威達咨詢。












TM07NN TM07NL TM09NN TM09NL TM12NN TM12NL TM15NN TM15NL TM09WN TM09WL TM12WN TM12WL TM15WN TM15WL

預壓等級
TM滾珠線性滑軌系列可提供ZF、Z0、Z1等三種不同之預壓等級。適當的預壓可提高微型線性滑軌于剛性丶精度、抗扭矩等能力之表現?但不當的預壓對運轉壽命丶運行阻力方面則有不良影響。
預壓表

容許溫度
TM微型滾珠線性滑軌系列運轉時?工作容許溫度介于-40℃~+80℃之間?短時間運轉最高溫度則可達+100℃


潤滑脂
當TM直線導軌在良好的潤滑狀態下,承受員荷的浪動與軌道面于接點之間將因潤滑油膜產生一微米厚度得而分開·因此良好好的潤滑保養可以增加產品使用的壽命。
無室用潤滑脂:適合發量非常少的油。
潤滑油:適合一般用途,IS0V32~68
注意:特殊油脂訂購需求請來電東莞創威達咨詢。












TM07NN TM07NL TM09NN TM09NL TM12NN TM12NL TM15NN TM15NL TM09WN TM09WL TM12WN TM12WL TM15WN TM15WL
上一篇:TM15WL
下一篇:沒有了
















