優勢特點:臺灣TBI法蘭型滾珠花鍵SZF040,花鍵直徑40mm,花鍵母對稱安裝孔的距離82mm,有空心花鍵軸和實心花鍵軸之分。由于TBI花鍵軸多齒工作,所以承載能力高,對中性、導向性不錯,而其齒根較淺的特點可以使其應力集中小。
SLF、SLT、SZF花鍵軸的斷面形狀



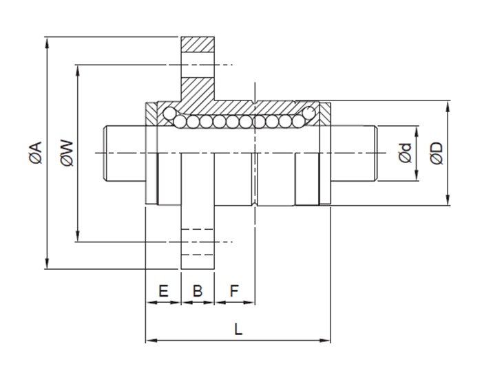
SZF系列尺寸表


| 型號 | z軸徑 | 滾珠列 | 花鍵軸承套 | ||||||||
| d | D | L | A | B | E | F | 油孔 | W | 安裝孔 | ||
| h7 | Q | X | |||||||||
| SZF040 | 40 | 4 | 64 | 100 | 100 | 8 | 17 | 27 | 4 | 82 | 9 |
| 型號 | 基本額定負荷 | 基本額定扭矩 | 容許靜力矩 | 質量 | ||||
| C | Co | CT | CoT | MA1 | MA2 | 花鍵外筒 | 花鍵軸 | |
| kgf | kgf | kgf.m | kgf.m | kgf.m | kgf.m | g | kg/m | |
| SZF040 | 2854 | 3842 | 101.19 | 167.72 | 27.87 | 190.46 | 1151 | 9.69 |
TBI滾珠花鍵SZF040加工方法 :花鍵軸的加工方法是有很多的。主要是采用滾切、銑削和磨削等切削加工方法,也可采用冷打、冷軋等塑性變形的加工方法。
1、滾切法:用TBI花鍵軸SZF040滾刀在花鍵軸銑床或滾齒機上按展成法加工, 這種方法生產率和精度均高,適用于批量生產。
2、銑削法:在萬能銑床上用專門的成形銑刀直接銑出齒間輪廓,用分度頭分齒逐齒銑削;若不用成形銑刀,也可用兩把盤銑刀同時銑削一個齒的兩側, 逐齒銑好后再用一把盤銑刀對底徑稍作修整。銑削法的生產率和精度都較低,主要用在單件小批生產中加工以外徑定心的TBI滾珠花鍵軸和淬硬前的粗加工。
3、磨削法:用成形砂輪在花鍵軸磨床上磨削花鍵齒側和底徑,適用于加工淬硬的花鍵軸或精度要求更高的、特別是以內徑定心的花鍵軸。
4、冷打法:在專門的機床上進行。對稱布置在工件圓周外側的兩個打頭,隨著工件的分度回轉運動和軸向進給作恒定速比的高速旋轉,工件每轉過1齒,打頭上的成形打輪對工件齒槽部錘擊1次,在打輪高速、高能運動連續錘擊下,工件表面產生塑性變形而成花鍵。冷打的精度介于銑削和磨削之間,效率比銑削約高5倍左右,冷打還可提高材料利用率。以上的介紹是對于花鍵軸加工方法的一個細致的講解。
臺灣TBI法蘭型滾珠花鍵SZF040,花鍵直徑40mm花鍵母對稱安裝孔的距離82mm有空心花鍵軸和實心花鍵軸之分。由于TBI花鍵軸多齒工作,所以承載能力高,對中性、導向性不錯,而其齒根較淺的特點可以使其應力集中小。
4、冷打法:在專門的機床上進行。對稱布置在工件圓周外側的兩個打頭,隨著工件的分度回轉運動和軸向進給作恒定速比的高速旋轉,工件每轉過1齒,打頭上的成形打輪對工件齒槽部錘擊1次,在打輪高速、高能運動連續錘擊下,工件表面產生塑性變形而成花鍵。冷打的精度介于銑削和磨削之間,效率比銑削約高5倍左右,冷打還可提高材料利用率。以上的介紹是對于花鍵軸加工方法的一個細致的講解。
臺灣TBI法蘭型滾珠花鍵SZF040,花鍵直徑40mm花鍵母對稱安裝孔的距離82mm有空心花鍵軸和實心花鍵軸之分。由于TBI花鍵軸多齒工作,所以承載能力高,對中性、導向性不錯,而其齒根較淺的特點可以使其應力集中小。
上一篇:SZF030
下一篇:SZF050















