優勢特點:臺灣TBI高防塵絲桿DFIR2004,直徑為20mm,導程為4mm,螺母對稱安裝孔的距離為45mm.TBI滾珠絲杠達到同樣運動結果所需的動力為使用滾動絲杠的1/3,進口滾珠絲桿可以達到97%的傳動效率。

|
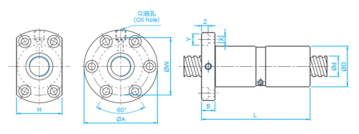
型號 |
軸 徑 d |
導 程 I |
珠 徑 Da |
螺帽尺寸 |
動額定 負荷 Ca |
靜額定 負荷 Coa |
剛性 kgf/ μm |
||||||||||||||||
| D | A | B | L | W | H | X | Y | Z | Q | n | |||||||||||||
| DFI02004-4 | 20 | 4 | 2.381 | 34 | 57 | 11 | 80 | 45 | 40 | 5.5 | 9.5 | 5.5 | M6 | 1x4 | 1066 | 2987 | 51 | ||||||
TBI絲桿DFIR2004安裝
1.安裝條件。
固定---固定的安裝方式適合有高精度要求或對溫升敏感的場合,安裝前精確計算兩固定點的安裝距離,精確計算常溫狀態下與工作狀態下的軸向伸長量,安裝時施加預緊力,使絲杠產生合適的彈性軸向伸長量(越接近溫升伸長量越好)。
2.類型
滾珠絲杠按GB分類有P類和T類,即傳動類和定位類,精度等級有1、2、3、4.....幾種,國外產品一般不分傳動還是定位,一律以C0~C10或具體數值表示,一般來說,通用機械或普通數控機械選C7(紡織前處理助劑任意300行程內定位誤差±0.05)或以下,高精度數控機械選C5(±0.018)以上C3(±0.008)以下,光學或檢測機械選C3以上。
3.長度。
即絲杠的外徑,常見規格有12、14、16、20、25、32、40、50、63、80、100、120,不過請注意,這些規格中,各廠家一般只備16~50的貨,也就是說,其他直徑大部分都是期貨(見單生產,貨期大約在30~60天之間,日系產品大約是2~2.5個月,V型混合機歐美產品大約是3~4個月)。
4.精度。
因工藝的不同,兩者能達到的精度等級不同,目前,軋制方式能達到的最高精度是C5級,我所知的只有REXROTH可以達到這個精度。
滾珠絲杠DFIR2004副及其支撐系統由于長時間運行產生的磨損間隙,將直接影響數控機床的傳動精度和剛性。一般故障現象有反向間隙大、定位精度不穩定等問題
臺灣TBI高防塵絲桿DFIR2004,直徑為20mm,導程為4mm,螺母對稱安裝孔的距離為45mm.TBI滾珠絲杠達到同樣運動結果所需的動力為使用滾動絲杠的1/3,進口滾珠絲桿可以達到97%的傳動效率。
滾珠絲杠DFIR2004副及其支撐系統由于長時間運行產生的磨損間隙,將直接影響數控機床的傳動精度和剛性。一般故障現象有反向間隙大、定位精度不穩定等問題
臺灣TBI高防塵絲桿DFIR2004,直徑為20mm,導程為4mm,螺母對稱安裝孔的距離為45mm.TBI滾珠絲杠達到同樣運動結果所需的動力為使用滾動絲杠的1/3,進口滾珠絲桿可以達到97%的傳動效率。
上一篇:DFIR1605
下一篇:DFIR2005

















