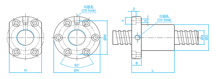
優勢特點:SFNIR8010屬于高防塵滾珠絲桿,直徑為80mm,導程為10mm,螺母對稱安裝孔的距離為127mm。臺灣TBI滾珠絲杠由螺桿、螺母、鋼球、預壓片、反向器、防塵器組成。

單位:mm
| 型號 |
軸 徑 d |
導 程 I |
珠 徑 Da |
螺帽尺寸 |
滾珠螺帽 額定負荷 |
剛性 K/μm |
||||||||||||
| D | A | B | L | W | H | X | Y | Z | Q | n | Ca | Coa | ||||||
| SFNI08010-4 | 80 | 10 | 6.35 | 105 | 150 | 22 | 93 | 127 | 115 | 14 | 20 | 13 | M8 | 1x4 | 7346 | 31953 | 109 | |
滾珠絲杠SFNIR8010的現狀
目前中國機床的數控化率發展很快。日本機床的數控化率從開始的40%提高到目前90%的水平,大約花了15年的時間,從中國現在發展的速度來看,如要達到目前日本的水平,估計不需要花費這么多的時間,提高數控機床功能零部件的性能和質量已經成為中國機床工業發展的當務之急。
為實現其高性能,中國生產的機床在驅動上使用高精度滾珠絲杠的比率有了很大的提高。目前機床采用的滾珠絲杠,有價格較低的國產的,也有精度較高的日本和歐洲等進口產品。使用進口產品往往是在那些對加工速度、精度、壽命及穩定性方面有較高要求的機床。
隨著機床速度的提高,導軌的使用也由滑動向滾動轉化。在中國,由于機床速度較低及制造成本上的原因,滑動導軌的使用還占大多數,但使用滾珠導軌和滾柱導軌的機床數量在急速上升。由于滾動導軌具有高速、長壽命、可加預壓、安裝方便等方面的優點,隨著對機床性能及數控化要求的提高,滾動導軌使用比率的提高是必然的趨勢。(1996年到2002年JIMT展會加工中心的移動速度 左豎軸 展出的臺數,橫軸機床移動速度)要提高機床的生產效率,就要提高機床的速度。
在中國國內生產的注塑機基本上是液壓式的。最近幾年,電動式注塑機在日本得到了急速的發展。電動式注塑機與液壓式注塑機在結構上的主要區別在于驅動方式,電動式注塑機不是以液壓來驅動而是以伺服電機、滾珠絲杠來驅動的。到目前為止,在日本國內,電動式注塑機已占到注塑機總量的75%。電動式對于液壓式的比率在逐年增加,電動式注塑機最大已做到了1000t。
上一篇:SFNIR6310
下一篇:TBI-SFNI系列滾珠絲杠















