優勢特點:臺灣TBI滾珠絲桿XSV系列在選型以TBI絲桿公稱直徑、導程、長度、螺母形式、精度這些主參數為主,同時在選用型號時還得用到以下參數:珠卷數,珠徑,制造方式代碼,預壓等級等。

1---TBI絲桿公稱直徑;2---導程;3---長度;4---螺母形式;5---精度;以上說的都是主要參數,在選用型號時還得用到以下參;珠卷數:這個參數一般標注在型號的導程后,如401;珠徑:這個參數是指滾動體的直徑,型號中不會體現,;制造方式代碼:滾珠絲杠的制造方式主要是兩種:軋制;預壓:也稱預緊;對一般精度要求按照上面的要求就可以選擇。
2---臺灣TBI滾珠絲桿導程。也稱螺距,即螺桿每旋轉一周螺母直線運動的距離,常見導程有1、2、4、6、8、10、16、20、25、32、40,中小導程現貨產品一般只有5、10,大導程一般有1616、2020、2525、3232、4040(4位數前兩位指直徑,后兩位指導程),其他規格多數廠家見單生產。導程與直線速度有關,在輸入轉速一定的情況下,導程越大速度越快。推薦:導程盡量選5和10。
3---臺灣TBI滾珠絲杠長度。長度有兩個概念,一個是全長,另一個是螺紋長度。有些廠家只計算全長,但有些廠家需要提供螺紋長度。螺紋長度中也有兩個部分,一個是螺紋全長,一個是有效行程。前者是指螺紋部分的總長度,后者是指螺母直線移動的理論大長度,螺紋長度=有效行程+螺母長度+設計裕量(如果需要安裝防護罩,還要考慮防護罩壓縮后的長度,一般按防護罩大長度的1/8計算)。在設計繪圖時,絲杠的全長大致可以按照一下參數累加:絲杠全長=有效行程+螺母長度+設計余量+兩端支撐長度(軸承寬度+鎖緊螺母寬度+裕量)+動力輸入連接長度(如果使用聯軸器則大致是聯軸器長度的一半+裕量)。特別需要注意的是,如果你的長度超長(大于3米)或長徑比很大(大于70),好事先咨詢廠家銷售人員可否生產,總體的情況是,國內廠家常規品大長度米,特殊品16米,國外廠家常規品6米,特殊品22米。當然不是說國內廠家就不能生產更長的,只是定制品的價格比較離譜。推薦:長度盡量選6米以下,超過的用齒輪齒條更劃算了。
4---臺灣TBI滾珠絲桿螺母形式。各廠家的產品樣本上都會有很多種螺母形式,一般型號中的前幾個字母即表示螺母形式。按法蘭形式分大約有圓法蘭、單切邊法蘭、雙切邊法蘭和無法蘭幾種。按螺母長度分有單螺母和雙螺母(注意,單螺母和雙螺母沒有負載和剛性差異,這一點不要聽從廠家銷售人員的演說,單螺母和雙螺母的主要差異是后者可以調整預壓而前者不能,另外后者的價格和長度大致均是前者的2倍)。在安裝尺寸和性能允許的情況下,設計者在選用時應盡量選擇常規式,以避免維護時備件的貨期問題。推薦:頻繁動作、高精度維持場合選雙螺母,其他場合選雙且邊單螺母。推薦:螺母形式盡量選內循環雙切邊法蘭單螺母。
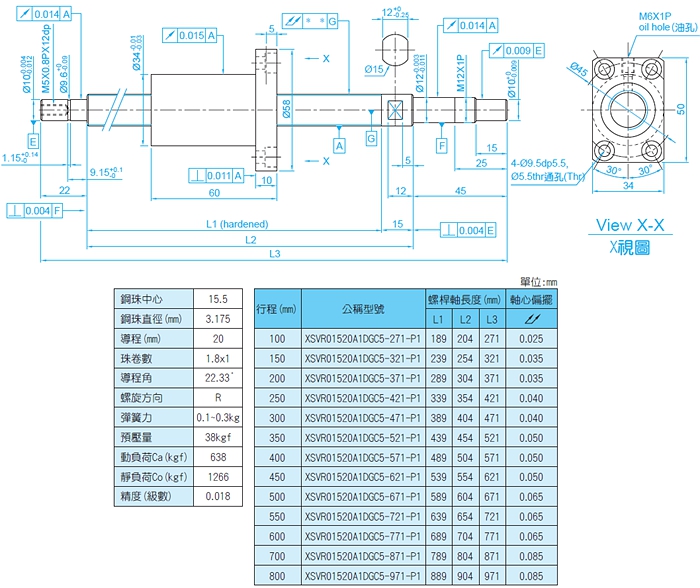
5---臺灣TBI絲桿精度。滾珠絲杠按GB分類有P類和T類,即傳動類和定位類,精度等級有1、2、3、4.....幾種,國外產品一般不分傳動還是定位,一律以C0~C10或具體數值表示,一般來說,通用機械或普通數控機械選C7(任意300行程內定位誤差±0.05)或以下,高精度數控機C5(±0.018)以上C3(±0.008)以下,光學或檢測機械選C3以上。特別需要注意的是,精度和價格關聯性很大,并且,精度的概念是組合和維持,也就是說,螺桿的導程誤差不能說明整套絲杠的誤差,出廠精度合格不能說明額定使用壽命內都維持這個精度。這是個可靠性的問題,與生產商的生產工藝有關。
以上說的都是臺灣TBI滾珠絲桿XSV系列主要參數,在選用型號時還得用到以下參數:珠卷數,珠徑,制造方式代碼,預壓等級等。分別說明如下:
珠卷數:這個參數一般標注在型號的導程后,如4010-4,這個“-4”就是珠卷數,因為有循環方式的問題說起來比較復雜,用戶可以簡單的理解為滾動體的循環圈數,“-4”就是4個循環,這個數值越大表示負載越大螺母長度越長。
珠徑:這個參數是指滾動體的直徑,型號中不會體現,但是在各廠家的技術參數表中會標識,一般與公稱直徑和導程相關,用戶不必理會。但是有些用戶因使用不當導致滾珠掉出螺母外需要重裝滾珠時這個參數是要注意的,尺寸一般精確到0.001,當然,不推薦用戶自行安裝,否則廠家不會提供無償維護,即使產品仍在保修期內。如有滾珠意外掉落的情況,應通知供應商協助安裝。
制造方式代碼:滾珠絲杠的制造方式主要是兩種:軋制和磨制,前者也稱滾軋制造或轉造,一般用F表示。后者也稱研磨制造。一般用G表示。因工藝的不同,兩者能達到的精度等級不同,目前,軋制方式能達到的最高精度是C5級。而磨制可以成產出更高精度的產品。不過請注意,兩種制造方式與精度、性能沒有逆向必然性,也就是說如果你選用的精度是C7,那么與它是怎么制造出來的無關。事實上我碰到許多廠家的專業銷售人員都未必知道兩者之間的詳細區別,所以多說幾句:軋制屬于批量制造,磨制屬于精確制造,前者的生產效率遠遠高于后者,但是前者的制造設備成本也遠遠高于后者。換句話說,磨制絲杠的進入門檻較低,軋制生產的進入門檻較高,能生產軋制絲杠的廠家一般也能生產磨制絲杠,而能生產磨制絲杠的廠家不一定能生產軋制絲杠。所以,同精度產品如果該可以買到軋制品就不要買磨制品,原因很簡單:便宜。另外說明一點,軋制和磨制僅指螺桿,螺母全是磨削制造。





XSVR01210

XSVR01510

XSVR01520

XSVR02010

XSVR02020


XSV1210 XSV1510 XSV1520 XSV2010 XSV2020
下一篇:沒有了
















