優勢特點:TBI絲桿支撐座FF20基本因素耦合品種;發動機的功率是一個耦合的規格尺寸確定的主要依據,對耦合轉矩成正比。必須記得在任何情況下,都是嚴禁強行安裝的。
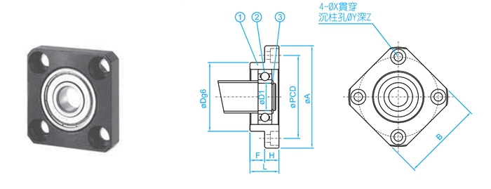
FF系列(螺桿支撐座固定座)

|
型號 |
軸徑 D1 |
L | H | F | Dg6 | A | PCD | B | X | Y | Z | C型扣環 | 軸承型號 | |||||||
| FF20 | 20 | 20 | 11 | 9 | 57 | 85 | 70 | 68 | 6.6 | 11 | 6.5 | C20 | 6204ZZ | |||||||
軸端加工尺寸


|
型號 |
適用軸桿外徑D |
D1 |
E | C型扣環 |
型號 FF型 |
|||||||
| A | B | C | ||||||||||
| FF20 | ∅25、∅28 | 20 | 19 | 19 | 1.35 | 15.35 | FF20 | |||||
TBI絲桿支撐座FF20工作臺及底座上安裝:
1.使用TBI絲桿支撐座FF20把滾珠螺桿螺帽安裝在工作臺時,將螺帽插入支座并暫時擰緊。
2.將固定側暫時擰緊到TBI絲杠固定座上,且將工作臺靠近固定側支撐單元并對準軸中心,調整工作臺使基能平滑移動,以固定側為基準時,請調整滾珠螺桿螺帽與工作臺或支座內之間保持一定間隙,以工作臺為基準時,用薄墊片調整、或將螺帽外表面與安裝部內面之間,留一定間隙進行調整。
3.將工作臺靠近固定側支撐單元,并對準軸中心,使工作臺往返多次,直到調整至螺帽整個行程都能平滑運動,并暫時將TBI絲杠固定座擰緊在基座上。確認精度及完全擰緊TBI絲桿支撐座用千分表一邊測試滾珠螺桿軸端的擺動及軸向間隙,一邊按順序完全擰緊滾珠螺桿的螺帽、 螺帽支座、固定側、支撐側。
TBI絲桿支撐座FF20基本因素耦合品種;發動機的功率是一個耦合的規格尺寸確定的主要依據,對耦合轉矩成正比。必須記得在任何情況下,都是嚴禁強行安裝的。
TBI絲桿支撐座FF20基本因素耦合品種;發動機的功率是一個耦合的規格尺寸確定的主要依據,對耦合轉矩成正比。必須記得在任何情況下,都是嚴禁強行安裝的。
上一篇:FF15
下一篇:FF25


















