優勢特點:旋轉螺母式TBI高速絲桿RFBY5050-1.8由于加工誤差的存在,滾珠絲桿與滾珠螺母沿軸線的實際相對位移量不會與所要求的特定行程量(公稱行程或目標行程)相同,而是前者相對于后者有一定的偏差。
螺帽旋轉式TBI滾珠絲桿是在螺帽的外徑上裝上專用的軸承外套使之運轉動作,通過讓螺帽旋轉或停止的運作,只用一根軸就能夠進行2種(旋轉、螺旋)模式的運動。旋轉式滾珠花鍵則是在花鍵外筒的外徑上裝上專用的軸承外套,使之運轉動作。通過讓外筒旋轉或停止的運作,只用一根軸就能夠進行2種(旋轉、直線)模式的運動。旋轉式滾珠絲桿花鍵則可通過讓螺帽/外筒旋轉或停止的運作,只用一根軸就能夠進行3種(旋轉、螺旋、直線)模式的運動。適用于水平多關節機械手臂(SCARA)、產業用機器人、自動裝載機、雷射加工機、搬送裝置、機械加工中心的ATC裝置等,最適合在旋轉運動與直線運動的組合裝置上使用。
tbi滾珠絲杠機構的工作原理
tbi滾珠絲杠機構的工作原理與螺母和螺桿之間的傳動原理基本相同。當絲杠能夠轉動而螺母不能轉動時,轉動絲杠,由于螺母及負載滑塊與導向部件(如直線導軌、直線軸承)連接在一起,所以螺母的轉動自由度就被限制了,這樣螺母及與其連接在一起的負載滑塊只能在導向部件作用下作直線運動。
旋轉螺母式TBI高速絲桿RFBY5050-1.8由于加工誤差的存在,滾珠絲桿與滾珠螺母沿軸線的實際相對位移量不會與所要求的特定行程量(公稱行程或目標行程)相同,而是前者相對于后者有一定的偏差。

精度規格
除了TBI滾珠桿螺桿螺帽對螺桿軸線的半徑方向圓周偏差(D)和法蘭安裝面對螺桿軸線的直角度(C)之外?RFBY型的精度以J1S規格(JISB1192-1997)為基準。

| 導程精度 | z轉造C7 | 轉造C10 | 轉造C7 | 轉造C5 | 轉造C3 | |||||
| 型號 | C | D | C | D | C | D | C | D | C | D |
| RFBY01616 | 0.035 | 0.065 | 0.035 | 0.065 | 0.023 | 0.035 | 0.016 | 0.020 | 0.013 | 0.017 |
| RFBY02020 | 0.035 | 0.065 | 0.035 | 0.065 | 0.023 | 0.035 | 0.016 | 0.020 | 0.013 | 0.017 |
| RFBY02525 | 0.035 | 0.065 | 0.035 | 0.065 | 0.023 | 0.035 | 0.018 | 0.024 | 0.015 | 0.020 |
| RFBY03232 | 0.035 | 0.065 | 0.035 | 0.065 | 0.023 | 0.035 | 0.018 | 0.024 | 0.015 | 0.020 |
| RFBY04040 | 0.046 | 0.086 | 0.046 | 0.086 | 0.026 | 0.046 | 0.021 | 0.033 | 0.018 | 0.026 |
| RFBY05050 | 0.046 | 0.086 | 0.046 | 0.086 | 0.026 | 0.046 | 0.021 | 0.033 | 0.0180 | 0.026 |
注:RFBY與RFE精度規格相同,選擇RFBY精度可按上表參考。
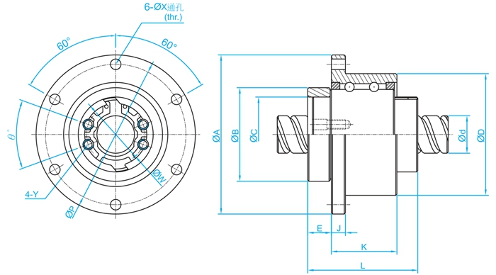
TBI滾珠絲桿的安裝部位之精度?其必要項目如下
(1)相對于螺紋溝面的軸線A?測定螺桿支持部位的半徑方向周偏擺值.
(2)相對于螺桿支持部位的軸線F,測定零件安裝部位的同軸度。
(3)相對于螺桿軸支部位的軸線E,測定支持立的端面的直角度。
(4)相對于螺桿軸線G?測定螺閨的基準面或法的安裝面的直角度。
(5相對于冢桿軸線A,測定螺帽外緣圓周(圓筒型)的同軸度。
(6)相對于螺桿軸線C?測定螺帽外緣(平頭型安裝面)的平行度。
(7)螺桿軸線的半徑方向的總偏擺值.
(7)螺桿軸線的半徑方向的總偏擺值.
在此所述之精度項目是以JISB11911192為基準.


絲桿尺寸表:


下一篇:RFBY1616















