優勢特點:TBI滾珠花鍵RLSF025是利用裝在花鍵外筒內的滾珠,在精密 研磨的滾動溝槽中,一邊作平滑滾動,一邊作傳遞力矩,是具有劃時代意義的直線運動系統。 滾珠花鍵安裝不正確的解決方法:重新檢測和安裝滾珠花鍵與導向件的平行度以及絲杠端部軸承的安裝情況和兩端軸承安裝軸承端的同心度,用校直機校直螺桿。

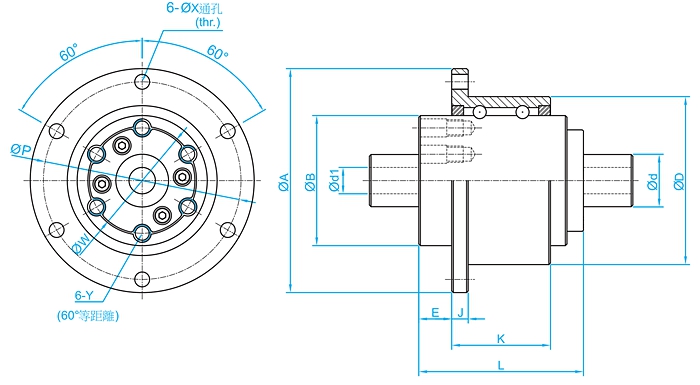
1、作用:TBI旋轉式滾珠花鍵RLBF是機械傳動一種,和平鍵、半圓鍵、斜鍵作用一樣,都是傳遞機械扭矩的.
2、結構:在TBI滾珠花鍵軸的外表有縱向的鍵槽,套在軸上的旋轉件也有對應的鍵槽,可保持跟軸同步旋轉。在旋轉的同時,有的還可以在軸上作縱向滑動,如變速箱換檔齒輪等。
3、應用舉例:TBI滾珠花鍵在制動器、轉向機構。 還有一種是可伸縮的軸,由內外管組成,外管有內齒,內管有外齒,套在一起。使用時在傳遞旋轉扭矩的同時,在長度方向可以伸縮。
4、材質:40Cr
5、熱處理。淬火 表面硬度HRC45--50。



額定壽命
即使讓同一批制造岀來的滾珠花鍵,在相同運動條件下使用?其壽命也有一定的離散度。因此·作為計算直線運動系統的壽命的基準?使用以下所定義的額定壽命。額定壽命就是護一批同様的直線運動系統在同樣條件上分別運動時·其中的90%不產生離(金屬面上剁離片)所能到的総運行距離。
溫度系數(fT)
當使用RLBF滾珠花鍵的環境超過100℃的高溫時·考慮到的溫度系數同時,注意滾珠花鍵也有必要使用對溫所召把的不良影·故計算壽命時乘以下圖的溫度系數。同時注意滾珠花鍵有必要使用對應高溫的產品。
(注)空氣溫度超過80℃時?·密封墊片和保持器的材料必須相應燮成高溫規格的材料。詳細情況請與東莞創威達聯系。
當使用RLBF滾珠花鍵的環境超過100℃的高溫時·考慮到的溫度系數同時,注意滾珠花鍵也有必要使用對溫所召把的不良影·故計算壽命時乘以下圖的溫度系數。同時注意滾珠花鍵有必要使用對應高溫的產品。
(注)空氣溫度超過80℃時?·密封墊片和保持器的材料必須相應燮成高溫規格的材料。詳細情況請與東莞創威達聯系。

溫度系數(fT)
接觸系數(fc)
將直線運動導向的花鍵外筒靠緊使用時,由于力矩或安裝精度的景影響很難得到均勻的負荷分布,故將幾個外筒靠緊使用時,請在基本額定負荷(C和(Co)上乘以表2.2.1中的相應接觸系數
(注)在大型裝置中,若預料負荷分布不均等時,請考隙表下圖中的接觸系數。
將直線運動導向的花鍵外筒靠緊使用時,由于力矩或安裝精度的景影響很難得到均勻的負荷分布,故將幾個外筒靠緊使用時,請在基本額定負荷(C和(Co)上乘以表2.2.1中的相應接觸系數
(注)在大型裝置中,若預料負荷分布不均等時,請考隙表下圖中的接觸系數。

負荷系數(fw)
一般來說,作往返運動的機械,在運轉中大都伴有振動和沖擊,·特別是高速運轉時產生的振動及經常反覆啟動、停止時所引起的沖擊等,全部正確的計算出是很困難的。 因此·在不能得到際作用于直線運動系統上的負荷時,或者速度和振動的景景影影響很大時·請將基本額定負荷(C)和(Co)除以下表中由經瞼所得到的負荷系數。
一般來說,作往返運動的機械,在運轉中大都伴有振動和沖擊,·特別是高速運轉時產生的振動及經常反覆啟動、停止時所引起的沖擊等,全部正確的計算出是很困難的。 因此·在不能得到際作用于直線運動系統上的負荷時,或者速度和振動的景景影影響很大時·請將基本額定負荷(C)和(Co)除以下表中由經瞼所得到的負荷系數。


精度等級
TBI旋轉式滾珠花鍵的精度是用花鍵外簡外徑對花鍵軸支撐部的擺動來表示的。它分為普通級(N)\高級(H)\精密級(P)。測試項目如下圖所示:

精度規格
滾珠花鍵的各測試項目如下表1.2.1~1.2.5所示








TBI滾珠花鍵RLSF025是利用裝在花鍵外筒內的滾珠,在精密 研磨的滾動溝槽中,一邊作平滑滾動,一邊作傳遞力矩,是具有劃時代意義的直線運動系統。 滾珠花鍵安裝不正確的解決方法:重新檢測和安裝滾珠花鍵與導向件的平行度以及絲杠端部軸承的安裝情況和兩端軸承安裝軸承端的同心度,用校直機校直螺桿。


















