優勢特點:TBI滾珠花鍵SOF025使用條件與予壓的選擇基準:滾珠花鍵的旋轉方向間隙(予壓)對滾珠花鍵的精度或剛性有很大的影響。因此根據用途選擇適當的間隙(予壓)是很重要的。一般來說都使用有予壓的產品。在進行反復旋轉運動或往復直線運動時因有很大的振動沖擊起作用所以施加予壓會顯著地提高使用壽命和精度。

TBI滾珠花鍵軸按齒高的不同,TBI滾珠花鍵軸花鍵的齒形尺寸在標準中規定兩個系列,即輕系列和中系列。輕系列的承載能力較低,多用于靜聯接或輕載聯接;中系列用于中等載荷。
矩形花鍵的定心方式為小徑定心,即外花鍵和內花鍵的小徑為配合面。其特點是定心精度高,定心的穩定性好,能用磨削的方法消除熱處理引起的變形。矩形花鍵聯接是應用最為廣泛的花鍵聯接。 應用廣泛。如航空發動機、汽車、燃氣輪機、機床、工程機械、拖拉機、農業機械及一般機械傳動裝置等等。
漸開線TBI花鍵軸的齒廓為漸開線,分度圓壓力角α有30°及45°兩種。齒頂高分別為0.5m和0.4m(m為模數)。漸開線花鍵可以用制造齒輪的方法來加工,工藝性較好,易獲得較高的制造精度和互換性。
漸開線TBI花鍵軸的定心方式為齒形定心。受載時齒上有徑向力,能起自動定心作用,有利于各齒受力均勻,強度高,壽命長。用于載荷較大,定心精度要求較高以及尺寸較大的聯接,如航空發動機、燃氣輪機、汽車等。壓力角45°的花鍵多用于輕載、小直徑和薄型零件的聯接。






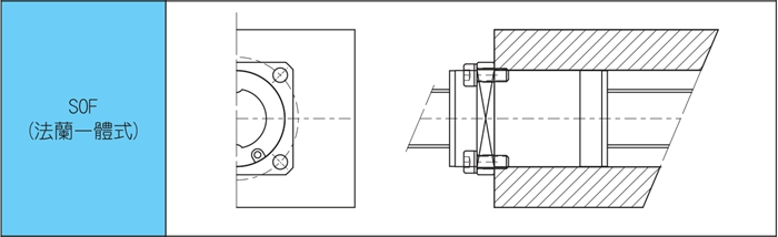
下圖是TBI滾珠花鍵SOF系列的實心斷面形狀,花鍵軸端為法蘭型,在坑能的情況下可以超過溝槽直徑(∅d),SOF系列花鍵通過對花鍵的滾動溝槽進行精密研磨,連到高精度而后與外筒配合



若需要配管、配線、排氣貨減輕重量的地方,可使用中空SOF花鍵軸



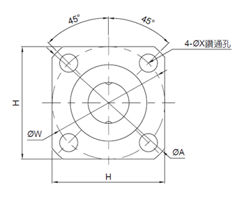
利用法蘭通過螺全將外筒固定在支撐座上,因裝配簡單,適用于3C、半導體產業等使用。

預壓是以消除旋轉方向間隙,提高剛性為目的,事前給滾珠施加負荷。當施加預壓時滾珠花鍵能根據預壓的強度消除旋轉方向的間隙而增加剛性。如圖1顯示了當施加旋轉扭矩時旋轉方向的位移。圖2顯示了預壓的效果一直保持到預壓負荷的2.8倍為止,無預壓時相比,相同扭矩時的變位量為1/2,剛性在兩倍以上。


圖1 圖2


注意:盡管SOF花鍵軸方向的固定強度并非要求很高,但應該避免只將其敲入而不予以固定的現象





TBI滾珠花鍵SOF025使用條件與予壓的選擇基準:滾珠花鍵的旋轉方向間隙(予壓)對滾珠花鍵的精度或剛性有很大的影響。因此根據用途選擇適當的間隙(予壓)是很重要的。一般來說都使用有予壓的產品。在進行反復旋轉運動或往復直線運動時因有很大的振動沖擊起作用所以施加予壓會顯著地提高使用壽命和精度。






下圖是TBI滾珠花鍵SOF系列的實心斷面形狀,花鍵軸端為法蘭型,在坑能的情況下可以超過溝槽直徑(∅d),SOF系列花鍵通過對花鍵的滾動溝槽進行精密研磨,連到高精度而后與外筒配合



若需要配管、配線、排氣貨減輕重量的地方,可使用中空SOF花鍵軸



利用法蘭通過螺全將外筒固定在支撐座上,因裝配簡單,適用于3C、半導體產業等使用。

預壓是以消除旋轉方向間隙,提高剛性為目的,事前給滾珠施加負荷。當施加預壓時滾珠花鍵能根據預壓的強度消除旋轉方向的間隙而增加剛性。如圖1顯示了當施加旋轉扭矩時旋轉方向的位移。圖2顯示了預壓的效果一直保持到預壓負荷的2.8倍為止,無預壓時相比,相同扭矩時的變位量為1/2,剛性在兩倍以上。


圖1 圖2


注意:盡管SOF花鍵軸方向的固定強度并非要求很高,但應該避免只將其敲入而不予以固定的現象





TBI滾珠花鍵SOF025使用條件與予壓的選擇基準:滾珠花鍵的旋轉方向間隙(予壓)對滾珠花鍵的精度或剛性有很大的影響。因此根據用途選擇適當的間隙(予壓)是很重要的。一般來說都使用有予壓的產品。在進行反復旋轉運動或往復直線運動時因有很大的振動沖擊起作用所以施加予壓會顯著地提高使用壽命和精度。

















